Dostala se ke mě rozbitá klávesnice z Atari MEGA ST. Bohužel plasty byly na padrť a chybělo i pár hmatníků. Nicméně vlastní rám a elektronika byly v pořádku. Napadlo mě, jestli by nešla použít v jiném Atari.
Klávesnice z MEGA ST je nejlepší Atari klávesnice. Používá mechanické spínače Cherry MX, které jsou v dnešní době velice oblíbené zvláště mezi hráči. Spínače, které patří k prvním modelům Cheery, jsou černé s lineárním zdvihem.
Ostatní ST klávesnice ke spínání kláves používají gumové pružinky, mají poměrně rozměklý zdvih a nejsou moc příjemné na psaní. Vyjímkou jsou klávesnice z TT030 nebo MEGA STE. Ty jsou sice membránové, ale s jinými gumovými pružinkami, které už mají dobrou taktilní odezvu a píše se na nich velice dobře.
Když jsem dal vedle sebe klávesnice z 520ST, 1040STFM a MEGA ST, tak megovská tvarově vypadá podobně jako z 520ST.
MEGA klávesnici jsem porovnával i s tou, co je v 1040. Přímo v 1040 použít nepůjde, protože součásti její klávesnice jsou i porty pro joystick a myš.
Podobné jsou i hmatníky klávesnic. Ty ale nejsou zaměnitelné, protože mají jiný dřík. Ten se v případě tlačítek v MEGA ST musí vlézt do otvoru v MX spínačích.
Hmatník z MEGA ST a 520ST klávesnice.
Připojovací konektor v obou klávesnicích vypadal na první pohled stejně. Pinout konektoru jsem ale nikde neměl a tak jsem ho začal hledat ve schematech. Výsledek je níže. Atari naštěsti v případě MEGA ST použilo v podstatě stejné zapojení jako u staršího 520ST. Liší se pouze signálem /RESET, který má megovská klávesnice interní a na konektor není vyveden.
| 18 | * | Not connected |
| 17 | * | Joystick 1 - pin 5 |
| 16 | * | /Reset (Not connected in MEGA ST keyboard) |
| 15 | * | Tx data |
| 14 | * | Rx data |
| 13 | * | +5V |
| 12 | * | Mouse / joystick 0 - XB / up |
| 11 | * | Mouse / joystick 0 - mouse left button / fire |
| 10 | * | Mouse / joystick 0 - XA / down |
| 9 | * | Mouse / joystick 0 - YA / left |
| 8 | * | Mouse / joystick 0 - YB / right |
| 7 | * | Joystick 1 - up |
| 6 | * | Joystick 1 - fire / mouse right button |
| 5 | * | Joystick 1 - down |
| 4 | * | Joystick 1 - left |
| 3 | * | Joystick 1 - right |
| 2 | o | Key - not connected |
| 1 | * | Ground |
Tabulku jsem doplnil i na web ACM.
Nyní už ji stačilo vzít a v 520ST vyzkoušet. Klávesnice do 520 krásně sedne, jako by tam odjakživa patřila. Spodní část klávesnice ale tvoří holý osazený plošný spoj a je tak dobré klávesnici podložit izolačním materiálem, aby náhodou nedošlo ke zkratu se základní deskou, zvlášť pokud na ni jsou nějaké úpravy.
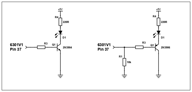
Cherry MX spínače nejsou jediným překvapením, co skrývá MEGA ST klávesnice. Druhým je připravenost na signalizační LED zapnutého Caps locku. Před více než 10 lety jsem si všiml ve schematu (ke stažení níže) LED, kterou jsem nikdy na žádné Atari klávesnici neviděl. Když MEGA ST klávesnici otevřete, na desce najdete místo pro osazení tranzistoru Q1. K MX spínači u klávesy CAPS lock vedou na PCB cestičky k LED a dokonce jsou osazeny i příslušné rezistory. Jediné co chybí je LED a tranzistor. Proč Atari nakonec neosadila i LED je tajemstvím. Možná se jim nechtělo přidávat obsluhu do TOSu.
Na Atari-forum.com jsem tenkrát otevřel diskuzi, jak to s caps lock LED vlastně je, ale bohužel ta k ničemu nevedla. Nicméně před nedávnem byla podobná diskuze, tentokrát na německém fóru. Tam jsem zjistil, že pro ovládání LED existují programy už z devadesátých let.
Doplnil jsem tedy LED a tranzistor. Při osazování tranzistoru se musí dát pozor, protože vývody jsou na desce uspořádány nestandardně.
Po zapnutí Atari následovalo překvapení. LED po startu s vypnutým Caps lockem svítí. Spustil jsem tedy ovládací program a LED fungovala naopak, při vypnutém CAPS svítí, při zapnutém ne. S programem byl v archivu i zdroják v assembleru, kde jsem našel hodnoty pro zapnutou a vypnutou LED. Ty prohodil a vše fungovalo. Jediný problém byl, že po startu počítače LED svítila až do doby, než se spustil program z AUTO adresáře. Toto chování se mi moc nelibilo.
Na schůzce Atari klubu proběhla diskuze s Bob!kem, jak nejjednodušeji změnit zapojení tak, aby fungovalo naopak. Nakonec stačilo místo NPN tranzistoru použít PNP a přidat pull down rezistor k výstupu mikrokontroléru. Ovládací program totiž na pin 37 neposílá log 0 a 1, ale mění jeho směr vstup/výstup.
Původní a upravené zapojení budiče LED.
Hmatníky klávesnice jsou z neprůsvitného plastu, vyvrtal jsem tedy do něj malou dírku a jako světlovod použil kousek čirého filamentu.
Je škoda, že Atari do ST počítačů nedávalo klávesnice s lepšími tlačítky. MEGA ST klávesnice je v Atari 520ST výborná, dobře se na ní píše a navíc indikace Caps locku potěší.
520 ST s MEGA ST klávesnicí.
Schema MEGA ST klávesnice.
CAPS_ANZ na stránkách Rolanda Skuplika (WRS).
Atari Connection Machine ACM.